
The Stm8s103f3P6 ass en 8 Bit Mikrokontroller hiergestallt vu Stemrolorectronik, erwähnt fir seng beandrockender Funktioun a nahtlos Integratioun.Dëse kompakte Apparat ass mat engem Uewerfläch-montéiert Apparat ausgestatt (SMD) Montantstil, en fortgeschratt Kär an d'Periphere sinn, déi mat Ausschnëtter mat der AusschnëtterMat enger Auer Frequenz vu 16 mhz, de Stm8s103f3p6 botten e robuste i / O Fäegkeeten, déi effizient Datebesëtzer an Ëmgangsveraarbechtung sinn.Seng ongéintwéiesch Wahldent, e konnt mat enger spiereger Formstour an e positiven Sécherheetssystem an engem potaalen Inhalt ugefitsch.
Eng vu senge Standgab Feature ass säi Flash Memory, deen net-Flatil Späichere fir Code an Daten liwwert.Mat enger Operatiounsgankerung verzweifelt vun 2,95 v bis 5,5 v, dëst Microcontroller ass héich reaptabel a verschidden Uwendungen.Zousätzlech bitt him eng bourmetéiert Temperatur ginn op uliwwerwege 2040 cl 40 ° Cur vun Alxescht Clérement op den Däitsch Spezialitifer.
• MSP430G2353
• Pic16f184444


Niddereg Kraaftverbrauch: Et huet eng Varietéit vun der niddereger Kraaftverbrauchmodus fir ze wielen, inklusiv Idle Modus, DELB Modus, déif Schlofmodus an Off BATTLE MODE MUST PLANTER SUEN.
Héich Performance: et seet en héije Performance stm8 Kärbel-uat.
Méi Informatiounen schwätzt: et ënnerstëtzt eng Zäitlt an der Kommunikatiounsstaffer mat Komesch (d'Secteural Interface), Ech >C an U2C an U2C.Duerch dës Leaufall, gëtt se liicht kommunizizéieren an ze verbannen an ëmmer Funktiounen zetauschteren fir méi Funktioune vun eisem Uwendungen z'erreechen.
Remigéiert Perraderien: de Stm80es1033333. Micocolploreller huet Iwwerraschungen 16 km², an zeltrutscher, an z. kmbaen, an: Aner Zousaz, Anser.D'Diversitéit vunectiounen Forméiert Hëllef g gätt fir verschidden Applikzenzen Szenarie a Kennt d'Besoine an Industrieen.Ob et industriell Kontroll ass, Smart Heem, oder verréckelt Systemer, stm8s103f3p6 kann Ënnerstëtzung ubidden.

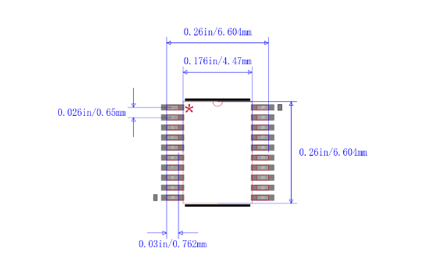
De Stm8s103f3P6 gëtt an engem dënnen schrumpft kleng Auslännepaket (TSSOP) an huet 20 Pins.De Kierper a féiert Spazéierung méi kleng wéi Standard Séisspäck.Eng typesch Feature vun der TSSOP ass d'Bildung vun der Pinsel ronderëm de Packbd Chip, deen et gëeegent fir Montéierung op PCBS mat PCS Technologie benotzt.Wann Dir TSSOP Package benotzt, déi parasitesch Parameteren (Ausgangspräizstéierung verursaacht duerch grouss Ännerungen an der aktueller Säit, si méi kleng, sou datt et gëeegent fir High-Frequation Uwendungen.Dës Zort Package ass méi bequem ze bedreiwen an méi héich Zouverlässegkeet.
Den TSSOP Package huet déi folgend Funktiounen:
• Kleng PIN Spazéieren: De Pin Spacing ass meeschtens 0,5mm oder 0,65mm.Vun den den Design vun Courcuit Bäiträkt Schwaarter Bar, gëtt um Bezierk op de Circuit a Gréisst geleeënlert mat der selwechter Regioun oder Gréisst.
• breet Ëmféigend vun der Uwendung: Et kann op verschidden Elikopeschlagerungen wéi Microkontroller, DSPS, Memorieschips, a Power Resultpips sinn, a Power Ressips.
• Héich PIN Grof: D'Zuel vun de Pins ass allgemeng ongeféier 20 bis 64, wat bestëmmt Chip Integratioun Ufuerderunge kënne begéinen.
• All kleng Package: Verglach mat gewenden Stäck (sou) Packages, huet säi Packagesprapseggréisst méi kleng, wéi en Drockneit verweisen, ass et méi wéi eng Verfaasserten.
• Héichstaut: Et ka Flüdfraum addreiwen, hu sech gutt Ubidder a Sécherheetsversuergung, an zesumme speziellt Ufuerderunge reduzéieren fir eng grouss Freuduratioun an och.
Wann net anescht geschätzt ginn, ginn all Vëlwer Vëlzungen bezeechent.
De Minimum an maximal Wäerter sinn zoustänneg sinn ënner de meeschte adrenen Bedingungen, wäitbännesch Veremang, erhéijektiven abiwwer Hëllefssäit, Passwuert Spannung, a Frequenzen.Dës Garantien ginn duerchsabléiser Produktiounsertifikatioun um Landiwwer vun den Apparater, duerchgefouert Hüchtemperatur vun der Ëmgéigend Temperatur).
Wäertvoll Bezuel op Basis vun Charakterisatiounen a Charakterime Simulatioune, an / oder technologesch Charakteristike gi bei den Dëschmossoten anzeginn, ginn net Informatiounsbedroen.Betreffend Charakteriséierung, de Minimum a maximal Wäerter beschäftegt d'Bewäertungen a mëssbrauchen de mëttleren Wäert mat enger Rei plus oder minus dräimol d'Standvirdviatioun (heescht ± 3
Wann Dir expliital uginn an der Fonktiouns Dateeën am NAD lo "£ 4 ° C, VDDS opnestallt ginn.
Déi typesch Genauegkeet vun ADC Wäerter ass duerch d'Charakteriséierung vun engem Set vu Proben vun enger Standard Diffusioun vill iwwer de komplette Temperaturfangel.An dësem Kontext, 95% vun den Devisen weist e Feeler am spezifizéierte Wäert (bedeit ± 2.σ).
Wann net speziell uginn, all Standard Grafike sinn eleng als Design Referenzen virgesinn an net ënnersträicht ginn.
Den EXTRAKTIOUNEN D'spezifizéiert absolute Maximum Bewäertungen kënnen zu dauerhafte Schued um Apparat resultéieren.Sinn d'Ronnen ëm d'Grenze vu Stress, déi den Apparat austrietéieren, an et ass net implizéiert datt den Apparat net implizéiert ass.Belaaschtung fir Konditiounen op oder no maximal Bewäertungen kënnen den Zouverlässegkeet niewend dem Geräter niewendrun.
Den Missiounshod vum Apparat, huet d'Applicatioune gläift ,falen op d'JIND -DEC-Supercare, mat geplangt Repfatioun verfügbar déi Ofstand verfügbar.
Fir d'Stabilitéit fir de primäre Regulator, en exzellent Crientituréierte Cantcancéiert soll de Vcp pquuléiert soll mam VCP-Stellegkeet verbonne soll, un de Valp pin ugebuede soll.Et ass essentiell fir ze garantéieren datt d'Serie Induktioun ënner 15 Nh bleift.
Den aktuelle Verbrauch gëtt gemooss wéi an der folgender Foto illustréiert.

Total Versuergung aktuelle Konsum am Run Modus
De Mcu gëtt ënner de folgende Konditioune gesat:
• All Periphere sinn ausgeschalt (Auer gestoppt duerch Periphere Auer Gating Registers) ausser ob explizit erwähnt.
• Alles I / O Pins am Input Modus mat engem statesche Wäert bei VDD oder VSS (keng Laascht)
Sujet zu allgemenge Bedéngungen fir VDD an Ta.

Stm8S103F3P6 huet 20 Pins, seng PIN ze sinn a Funktiounene sinn esou wéi follegt:
PIN1 (PD4 / Piep / Tim2_ Ch1 / UART1 _ck): Port D4
PIN2 (PD5 / AIN5 / UART1 _TX): Port D5
PIN3 (PD6 / AIN6 / UART1 _RX): Port D6
PIN4 (nst): reset
PIN5 (PA1 / OSCIN): Port A1
PIN6 (PA2 / OSCOUT): Port A2
Pin7 (VSS): Digital Terrain
PIN8 (VCAP): 1.8 V Regulatorer Capensitor
PIN9 (VDD): Digital Power Versuergung
PIN10 (PA3 / Tim2_ Ch3 [SPI_ NSS]): Port A3
PIN11 (PB5 / I2C_ SDA [Tim1_ BKIN]): Port B5
PIN12 (PB4 / I2C_ Scl): Port B4
PIN13 (PC3 / Tim1_CH3 [TLI] [Tim1_ CH1N]): Port C3
PIN14 (PC4 / CLK_CCO / Tim1_ CH4 / AINE2 / [Tim1_ CH2N]): Port c4
PIN15 (PC5 / SPI_SCK [Tim2_ Ch1]): Port C5
PIN16 (PC6 / SPI_MOSI [Tim1_ CH1]): Port C6
PIN17 (PC7 / SPI_MISE [Tim1_ CH2]): Port C7
PIN18 (PD1 / Schwammen): Port D1
PIN19 (PD2 / AIN3 / [Tim2_ CH3]): Port D2
PIN20 (PD3 / AIN4 / Tim2_ CH2 / ADC_ ETR): Port D3
Wéi op de Figur ubruecht sinn, stellt d'Stm8S103333p6 Chips bis 16 I / O Pins, a wéi GPIERS.benotzt als Input Pins fir extern Signaler ze liesen oder als Ausgab Pins fir Signaler op extern Geräter ze schécken.Zousätzlech kannen ech / p PIN on onofhängeg sinn en Ënnerbriechungssektor ze kréien fir eng korrekt Veraarbechtung vun Ënnerbriechungen ze erliichteren wann se optrieden.
• Automatiounssystemer: Dëse Microcontroller kann an Autodatiounsystemer benotzt ginn wéi elektresch Gardinen, Zouganksystemer, Temperaturskontrolle a Lights Kontroll.
• Iot (Internet vun de Saachen) Applikatioun: Wa mir mussen ote Geräter entwéckelen, kann et als Controller fir IOT Noden verbannen an ze kontrolléieren a Kommuniker a Kommunikatiounen.
• de perséinlechen ekonticronesche Bezeoteren: Magen hunn an zip3 a mP4-Spiller benotzt, elektronesch Spiller finanziell Moenates.
• elektronesch Ausrüstung: benotzt fir verschidde elektronesch Ausrüstung z'entwéckelen
, sou wéi aktiv aalticoren, wäitem Kontroll, Minfanzen, asw
• industriell Feld: benotzt an der PLC, industriell Controller, Prozess Automatesch Automatesch Kontroll Equipement, asw.
• Donnéeën Acquisitioun a Sensor Interface: benotzt fir Ëmwelt ze kontrolléieren a verschidde Sense ze verbannen wéi liicht Sensuren, Temperaturen, an Fopungsensoren.
• Eminedroch Kontroll System: benotzt benotzt fir eng verschiddenen Embedded Kontrollsystemer, wéi d'Stot Stroumarder, wéi Inspirier-Format, well et ass e bëssen ze groussenitéit Times. Seng 8-bonkels Occasiounen, asw.
D'Stm8s103f3p6 ass e Mikrokontroller Chip entwéckelt vun der Stemmonnektronik.Et gehéiert zu der Stm8 Famill vun 8-Bit Mikrocontroller a gëtt wäit a verschiddene embedded Systemer an iot Uwendungen benotzt.
Stm8s103f3p6P6-Microcontroller Eenheet huet 640 Bit Rom, 10-Bit 5-Channels adc, 1kb Ram vun 8 kb.
Mir kënnen de Stm8S103f3p6333333 -33s134844 ersetze kënnen, stm8s10s10S10s3P3
Jo, D'Stmiw8S1033/13p6 gëtt mat lëschtene Kraaftdaten a kënne gebraucht ginn an Energieeffir-Verschmededung Appentalen.
E puer Schlësselkaarten vun de strenger -prapheralprimat) enthalen d'Kommunikatioun, Turneren, a méi.
IWWERT ONS
Clientszefriddenheet all Kéier.Géigesäitege Vertrauen an allgemeng Interesse.
Technesch Spezifikatioune vun Lithium Coin Zell Cr2354
2024-08-02
Ëmfaassend Guide fir Atmega328-Pu Mikrocontroller
2024-08-02
Email: Info@ariat-tech.comHK TEL: +852 30501966OPGEPASST: Rm 2703 27F Ho King Comm Center 2-16,
Fa Yuen St MongKok Kowloon, Hong Kong.